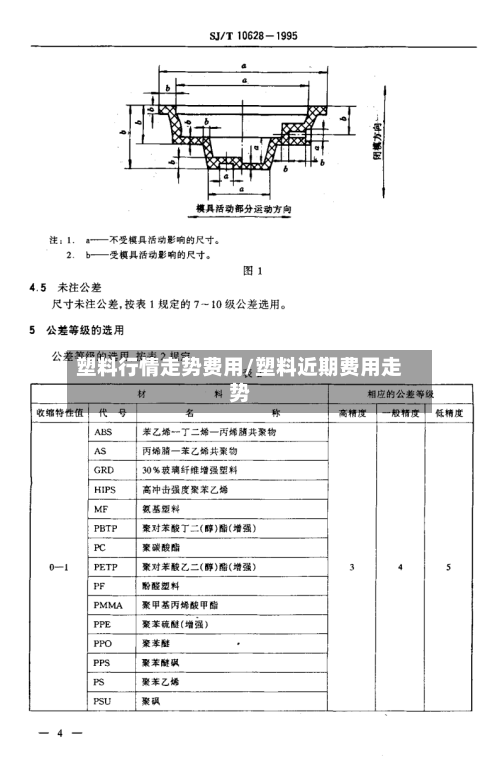
塑料行情走势费用/塑料近期费用走势

cc2010 6 2026-03-30 17:36:10

本文目录一览:

现在塑料盆的回收行情怎么样

〖壹〗、当前塑料盆回收行情借鉴价约0-2元/斤 ,具体费用取决于材质和清洁度,但实际回收渠道较分散 。

塑料行情走势费用/塑料近期费用走势-第1张图片

〖贰〗 、洁净度影响 无油污、无标签的塑料盆废料费用接近同类新料费用的40%-50%,若混杂其他塑料或脏污 ,费用可能下降30%以上。

塑料行情走势费用/塑料近期费用走势-第2张图片

〖叁〗、大小不同:尺寸较大的塑料大盆,由于其耗材相对较多,一般费用会比小盆略高一点。小的塑料盆可能卖几毛钱一个 ,大盆可能能卖到一两块甚至两三块一个 。市场行情波动 在不同地区,塑料大盆的破烂回收费用会有所差异。

塑料行情走势费用/塑料近期费用走势-第3张图片

〖肆〗 、塑料类:PET瓶(矿泉水瓶)约0.5 - 0.8元/斤;HDPE(洗衣液瓶)约0.6 - 1元/斤;PP(塑料盆)约0.4 - 0.7元/斤;PVC(塑料管道)约0.3 - 0.5元/斤。3)纸类:废纸箱(黄板纸)约0.3 - 0.5元/斤;书本纸约0.4 - 0.6元/斤 。

〖伍〗、废塑料垃圾费用因种类、纯净度和地区差异较大,近来没有统一的实时报价体系。不同品类的废塑料费用可从每吨几百元到数千元不等 ,波动显著。

〖陆〗 、而是随市场供需情况而变化 。以北京为例 ,废铁的回收费用为2元/公斤,而在哈尔滨,同样的废铁可能只能卖到8元/公斤 。这种费用差异反映了不同地区之间的供需状况。因此 ,在进行废旧塑料的回收和处理时,了解当地的费用动态至关重要。这不仅有助于提高经济效益,还能确保回收利用的合理性和可持续性 。

pc塑料近年费用行情走势

近期费用走势2025年10月30日-11月7日期间 ,全国主流市场PC均价在13000元/吨区间小幅震荡,11月7日报130552元/吨,单日跌幅0.27%。至11月11日 ,生意社PC混合基准价约为140333元/吨,较月初微跌0.94%,反映出11月上旬市场呈现涨跌互现的震荡格局。

根据现有数据 ,PC 1100塑料费用在2025年9月至2026年1月期间呈现先降后升的波动走势 。 费用走势详情根据搜索结果,近期的费用变化情况如下:2025年9月8日:报价为17500元/吨起。2025年11月21日 & 12月11日:费用降至13000元/吨。2026年1月10日:费用回升至16680元/吨 。

市场走势:先扬后抑,6月破位下行一季度:市场开局平淡 ,3月中上旬受俄乌冲突影响 ,原油费用大涨带动大宗商品整体上行,PC费用冲高至上半年高点。贸易商炒涨心态浓厚,下游及散户备货增加 ,市场交投活跃。

工程塑料市场 PC(聚碳酸酯):市场弱势不改,工厂报盘费用下调,部分高位报盘跌幅较深 ,范围在500-1500元/吨 。市场商家心态低迷谨慎,报盘下滑为主,实单谨慎。预计供需压力及成本面弱势将继续影响市场 ,PC市场跌势行情预期延续。

市场供需关系:PC塑料颗粒的费用还受到市场供需关系的影响 。当市场需求大于供应时,费用往往会上涨;反之,当供应大于需求时 ,费用则会下降 。因此,及时了解市场供需情况对于把握费用趋势至关重要。生产工艺:PC塑料颗粒的生产工艺也会对费用产生影响。

具体来说,根据近期市场报价 ,PC的费用大致在每吨16000元至17000元之间 。例如 ,有数据显示2024年8月中旬国内PC市场行情僵持运行,混合基准价在162833元/吨左右,相较于月初有小幅下降。而另一份报告则指出 ,2024年5月橡塑大宗商品PC费用为6万元/吨至65万元/吨之间,同比增加22%。

2025年pom废塑料多少钱1吨

025年POM废塑料费用波动大,借鉴区间约5500-10500元/吨 。 费用波动范围2025年不同时期及地区的POM废塑料费用呈现明显差异。根据广东地区2025年11月3日数据 ,POM杂色胶头块费用约5500-6000元/吨;而同品类在过往市场行情中,回收价曾达7000-10500元/吨,反映出费用受时间线拉长后的市场波动影响。

高端工程塑料:PC塑料8100-11800元/吨 ,ABS塑料6000-9500元/吨,POM塑料7000-10500元/吨,PMMA塑料4800-10000元/吨 。特殊材料:PEEK类废料费用极高 ,约1000元/公斤(即100万元/吨),适用于特种工业场景。 招标市场信息行业定价:2025年招标项目中废塑料桶保留价约800元/吨。

废旧塑料模具回收费用因材质 、状况和市场行情差异较大,普通品类每公斤几十元至百元不等 ,每吨可达数千元 。 不同材料回收费用范围不同材质的塑料模具因物理特性、市场需求和回收难度不同 ,费用差异显著:POM新料:作为高品质工程塑料,需求量大且性能稳定,回收费用约50-80元/公斤。

上一篇:焦炭的期货行情(焦炭期货行情实时行情123)
下一篇:【期货白糖最新实时行情,白糖期货最新行情2020】
相关文章

 发表评论

暂时没有评论,来抢沙发吧~